Worldwide Chuck Services, Inc.

 

Chuck Repairs and ServiceWe Sell Lathe Chucks ActuatorsChuck Parts and AccessoriesJaws and Accessories

 
Worldwide Chuck Services is a master distributor of Kitagawa products.

Kitagawa Products Menu

Scroll Chuck
Four-Jaw Independent Chuck
Standard Thru-Hole Chuck
Big Bore High Speed Chuck
Super Big-Bore Power Chuck
Long Stroke Lever Style Chuck
Quick Jaw Change Chuck
Quick Jaw Change Chuck
Counter Balanced Chuck
Closed Center Chuck
Long Stroke Two-Jaw Chuck
Power Wing Chuck
Pull Back Chuck
Three-Jaw Pull Style Chuck
Four-Jaw Self-Centeriing Power Chuck
T-Nut

Two Stage Hydraulic Cylinder

High Speed Wheel Chuck
Self-Contained Air Chuck
Ultra High Precision
Collet
Standard Thru-Hole Cylinder
Big Bore High Speed Cylinder
Hydraulic Cylinder
Closed Center Cylinder
Stationary Air Cylinder
High Speed Air Cylinder
Work Gripper
Soft Jaw
Chuck Adapter
Hard Jaw

 AY SERIES High-Speed Air Cylinders

  Lightweight and compact style pneumatic cylinders with closed centers.

Special Features

  • Compact and lightweight design (less mass and moment of inertia)
  • Alloy body
  • Low maintenance
  • Versatile for many workholding applications

Specifications

Model Unit AY-1315R AY-1720R AY-2225R
Piston Stroke in. 0.591 0.787 0.984
Piston Area Pull in.2 20.3 35.1 58.5
Piston Area Push in.2 19.8 34.1 57.5
Max. Draw Bar Pull Force kN (kgf) 4.8 (489) 8.2 (836) 13.9 (1417)
Max. Operation Pressure psi 116 116 116
Max. Speed rpm 5000 5000 4000
GD 2 kg.m 2 .010 .028 .080
Net Weight lbs. 11 18 21

 

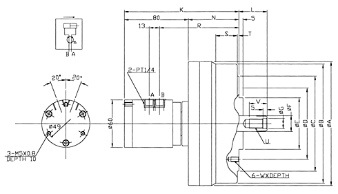
Dimensional Drawing

Dimensions

Model AY-1315R AY-1720R AY-2225R
A 6.142 7.874 10.039
B 5.906 7.677 9.646
C 4.724 5.512 6.693
D 3.543 3.937 5.118
E 2.559 3.150 4.331
F 0.787 0.984 1.181
G 0.512 0.669 0.827
K 5.630 6.378 6.811
L max. 1.378 2.559 2.795
L min. 0.787 1.772 1.811
N 2.480 3.228 3.661
R 3.898 4.646 5.079
S 1.063 1.772 1.299
T 0.079 0.197 0.197
U M12x1.75 M16.x2.0 M20x2.5
V 0.866 1.181 1.378
W M6x10 M10x16 M12x20

 

 



About Us

Contact Us

Site Map

Location

 

Worldwide Chuck Services, Inc.

1430 Danner Drive
 Aurora,  OH  44202
Phone: (330) 562-4509
Fax: (330) 562-2022

 questions@WorldwideChuck.com

 

Improving the World's Grip on Parts

Search our site for:

     

 
Don't forget about our warranty ... the best in the business!