Worldwide Chuck Services, Inc.

 

Chuck Repairs and ServiceWe Sell Lathe Chucks ActuatorsChuck Parts and AccessoriesJaws and Accessories

 
Worldwide Chuck Services is a master distributor of Kitagawa products.

Kitagawa Products Menu

Scroll Chuck
Four-Jaw Independent Chuck
Standard Thru-Hole Chuck
Big Bore High Speed Chuck
Super Big-Bore Power Chuck
Long Stroke Lever Style Chuck
Quick Jaw Change Chuck
Quick Jaw Change Chuck
Counter Balanced Chuck
Closed Center Chuck
Long Stroke Two-Jaw Chuck
Power Wing Chuck
Pull Back Chuck
Three-Jaw Pull Style Chuck
Four-Jaw Self-Centeriing Power Chuck
T-Nut

Two Stage Hydraulic Cylinder

High Speed Wheel Chuck
Self-Contained Air Chuck
Ultra High Precision
Collet
Standard Thru-Hole Cylinder
Big Bore High Speed Cylinder
Hydraulic Cylinder
Closed Center Cylinder
Stationary Air Cylinder
High Speed Air Cylinder
Work Gripper
Soft Jaw
Chuck Adapter
Hard Jaw

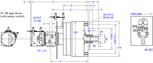
YW SERIES Exclusive Cylinder for HW Series Chucks

DIMENSIONS

MODEL A B C D E F G max. G min. H max. H min.
YW1220R(E) 20 20 276 (331) 168 231 237 61 41 36 16
YW1225R(E) 25 25 286 (341) 178 241 247 56 31 36 11



SPECIFICATIONS

MODEL Piston stroke IN Piston Area: Push side IN2 vs.Pull side IN2 Draw bar Pull side kN (kgf) Max Operation Pressure PSI Total leakage g/min Max. speed min-1 (r.p.m.) Net Weight GD2 lb Moment of Inertia kg.m 2
YW1220R(E) .787 4.84 vs. 4.45 31 (3161) 434 0.2 5000 35.9 .043
YW1225R(E) .984 4.84 vs.4.45 31 (3161) 434 0.2 5000 36.3 .045

Draw bar pull force: Pressure 3.OMPa(30.6kgf/cm2). Total leakage: Pressure 3.OMPa(30.6kgf/cm2) and oil temperature 50C°. (R) version does not include prox. switches or sensor housing.

 

 

 



About Us

Contact Us

Site Map

Location

 

Worldwide Chuck Services, Inc.

1430 Danner Drive
 Aurora,  OH  44202
Phone: (330) 562-4509
Fax: (330) 562-2022

 questions@WorldwideChuck.com

 

Improving the World's Grip on Parts

Search our site for:

     

 
Don't forget about our warranty ... the best in the business!