Worldwide Chuck Services, Inc.

 

Chuck Repairs and ServiceWe Sell Lathe Chucks ActuatorsChuck Parts and AccessoriesJaws and Accessories

 
Worldwide Chuck Services is a master distributor of Kitagawa products.

Kitagawa Products Menu

Scroll Chuck
Four-Jaw Independent Chuck
Standard Thru-Hole Chuck
Big Bore High Speed Chuck
Super Big-Bore Power Chuck
Long Stroke Lever Style Chuck
Quick Jaw Change Chuck
Quick Jaw Change Chuck
Counter Balanced Chuck
Closed Center Chuck
Long Stroke Two-Jaw Chuck
Power Wing Chuck
Pull Back Chuck
Three-Jaw Pull Style Chuck
Four-Jaw Self-Centeriing Power Chuck
T-Nut

Two Stage Hydraulic Cylinder

High Speed Wheel Chuck
Self-Contained Air Chuck
Ultra High Precision
Collet
Standard Thru-Hole Cylinder
Big Bore High Speed Cylinder
Hydraulic Cylinder
Closed Center Cylinder
Stationary Air Cylinder
High Speed Air Cylinder
Work Gripper
Soft Jaw
Chuck Adapter
Hard Jaw

JN SERIES Scroll Chucks

  High quality, steel body, precision scroll chucks. Two-, three- and four-jaw configurations available.

Specifications
Model Unit JN-06T JN-07T JN-09T JN-10T JN-12T
Thru-Hole in. 1.771 2.165 2.755 3.346 3.779
Max. Gripping force KN (kgf) 30 (3059) 36 (3671) 39 (3977) 45 (4584) 54 (5506)
Gripping Range Int. (Diameter) in. 2.165-5.906 2.441-6.693 2.756-8.268 3.150-6.350 3.543-11.417
Gripping Range Ext. (Diameter) in. 0.118-6.30 0.157-7.087 0.197-8.661 0.197-10.236 0.394-11.811
Max. Speed rpm 4000 3500 2900 2500 2200
Net Weight lbs. 20 29 49 64 95
GD2 N.m 2 (kgf.m 2 ) N.m 2 (kgf.m 2 ) 1.27 (0.13)

2.45 (0.25)

6.37 (0.65)

10.3 (1.06)

23 (2.35)
Handle Torque ft. lbs. 65 80 108 130 151
Matching Soft Top Jaw ft. lbs. SBS06 SBS07 SBS09 SBS10 SBS12
Matching Hard Top Jaw ft. lbs. HBS06C HBS07C HBS09C HBS10C HBS12C

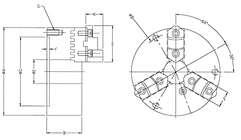
Dimensional Drawings

lathe chuck dimensions

Dimensions

Model JN-06 JN-07T JN-09T JN-10T JN-12T
A 6.496 7.480 9.134 10.748 12.205
B 2.559 2.953 3.307 3.386 3.780
C 5.118 6.102 7.480 9.055 10.236
D 5.787 6.772 8.268 9.843 11.220
E 1.772 2.165 2.756 3.346 3.780
F 0.197 0.197 0.236 0.236 0.276
G M10-3 M10-3 M12-3 M12-3 M12-3
H 2.677 3.150 3.543 3.937 4.528
J 1.024 1.102 1.206 1.378 1.575
K 1.535 1.654 1.969 2.126 2.205
L 0.394 0.433 0.472 0.472 0.551
 

 

 

 



About Us

Contact Us

Site Map

Location

 

Worldwide Chuck Services, Inc.

1430 Danner Drive
 Aurora,  OH  44202
Phone: (330) 562-4509
Fax: (330) 562-2022

 questions@WorldwideChuck.com

 

Improving the World's Grip on Parts

Search our site for:

     

 
Don't forget about our warranty ... the best in the business!