Worldwide Chuck Services, Inc.

 

Chuck Repairs and ServiceWe Sell Lathe Chucks ActuatorsChuck Parts and AccessoriesJaws and Accessories

 
Worldwide Chuck Services is a master distributor of Kitagawa products.

Kitagawa Products Menu

Scroll Chuck
Four-Jaw Independent Chuck
Standard Thru-Hole Chuck
Big Bore High Speed Chuck
Super Big-Bore Power Chuck
Long Stroke Lever Style Chuck
Quick Jaw Change Chuck
Quick Jaw Change Chuck
Counter Balanced Chuck
Closed Center Chuck
Long Stroke Two-Jaw Chuck
Power Wing Chuck
Pull Back Chuck
Three-Jaw Pull Style Chuck
Four-Jaw Self-Centeriing Power Chuck
T-Nut

Two Stage Hydraulic Cylinder

High Speed Wheel Chuck
Self-Contained Air Chuck
Ultra High Precision
Collet
Standard Thru-Hole Cylinder
Big Bore High Speed Cylinder
Hydraulic Cylinder
Closed Center Cylinder
Stationary Air Cylinder
High Speed Air Cylinder
Work Gripper
Soft Jaw
Chuck Adapter
Hard Jaw

 NRC Series

Self-contained air chucks with rotary sleeves. Ideal for low-speed applications, such as rotary tables.

Special Features

  • Self-contained body with integral cylinder
  • Standard soft jaws can be formed for precise operations
  • Rotary sleeve for easy installation of air lines
  • Flexible mounting can be used with all major rotary table manufcaturers

Specifications

Model Unit NRC-04 NRC-06 NRC-08 NRC-10
Thru-Hole in.
Jaw Stroke (diam.) in. 0.205 0.205 0.248 0.248
Plunger Stroke in. 0.591 0.472 0.591 0.591
Max. Gripping Force lbs. 551 4717 2425 3593
Max. Air Pressure psi 85 85 85 85
Max. Speed rpm 33.3 33.3 33.3 33.3
Net Weight lbs. 16 35 61 93
Matching Soft Top Jaw SB04B1 SB06B1 SB08B1 SB10B1
Matching Hard Top Jaw HB04N1 HB06B1 HB08A1 HB10A1

Model NRC Series Chucks are manufactured from high grade alloy steel. All sliding surfaces are hardened and ground to assure consistent accuracy and performance.

Lubrication nipple in each base jaw.

Master Jaw Serration
Chuck size 4" to 10": 1.5mm x 60¼

Mounting
Mounting supplied as optional adapter plate per applications.

Standard equipment
Chuck assembled with soft jaws, T-nuts, jaw mounting bolts and chuck mounting bolts.

 

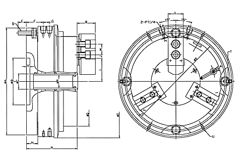
Dimensional Drawings



DIMENSIONS

Model NRC-04 NRC-06 NRC-08 NRC-10
A 6.535 9.094 9.843 12.598
B 3.150 4.331 4.331 5.512
C 0.984 1.417
D 5.709 8.110 8.937 11.614
E 0.689 0.728 0.748 0.846
F 1.159 1.425 1.543 1.543
G 0.516 0.567 0.567 0.567
H 0.709 0.945 1.024 1.102
Imax. 1.004 1.752 2.087 2.598
I min. 0.902 1.650 1.963 2.474
J max. 0.443 0.482 0.699 0.748
J min. 0.325 0.187 0.344 0.345
L 0.906 1.220 1.378 1.575
M 0.551 0.787 0.984 1.181
N 3.661 4.094 4.606 4.724
O 6.299 8.701 10.394 12.126
P
Q 4.315 6.496 8.252 9.898
R 1.063 1.417 1.654 1.811
S M10 M12 M10 M12
T M6x12 M6x12 M8x15 M8x12
U M5x8 M5x8 M5x8 M5x8
V 0.197 0.276 0.315 0.315

 

 

 



About Us

Contact Us

Site Map

Location

 

Worldwide Chuck Services, Inc.

1430 Danner Drive
 Aurora,  OH  44202
Phone: (330) 562-4509
Fax: (330) 562-2022

 questions@WorldwideChuck.com

 

Improving the World's Grip on Parts

Search our site for:

     

 
Don't forget about our warranty ... the best in the business!